Friday, September 25, 2015

Physics 9702 Doubts | Help Page 202

  • Physics 9702 Doubts | Help Page 202


Question 976: [Vectors]
The speed of an aeroplane in still air is 200 km h–1. The wind blows from the west at a speed of 85.0 km h–1.
In which direction must the pilot steer the aeroplane in order to fly due north?
A 23.0° east of north
B 23.0° west of north
C 25.2° east of north
D 25.2° west of north

Reference: Past Exam Paper – June 2015 Paper 13 Q3



Solution 976:
Go to
The speed of an aircraft in still air is 200 km h-1. The wind blows from the west at a speed of 85.0 km h-1.









Question 977: [Work, Energy and Power]
The diagram shows a hydroelectric power station.
The reservoir is linked to the turbines by a pipe of uniform cross-sectional area. Water flows from the reservoir, through the pipe and through the turbines at a constant rate.

Which statement about the change of energy of the water as it moves from X to Y is correct?
For Nov 2012 P13 Q21:
A It gains both gravitational potential energy and kinetic energy.
B It loses gravitational potential energy and gains elastic potential energy.
C It loses gravitational potential energy and gains kinetic energy.
D It loses both elastic potential energy and gravitational potential energy.

For June 2015 P12 Q16:

A It gains both gravitational potential energy and kinetic energy.
B It loses both elastic potential energy and kinetic energy.
C It loses both elastic potential energy and gravitational potential energy.
D It loses gravitational potential energy and gains elastic potential energy.

Reference: Past Exam Paper – November 2012 Paper 13 Q21 & June 2015 Paper 12 Q16



Solution 977:








Question 978: [Current of Electricity > Resistance]
(a) A metal wire of constant resistance is used in an electric heater.
In order not to overload the circuit for the heater, the supply voltage to the heater is reduced from 230 V to 220 V.
Determine the percentage reduction in the power output of the heater.

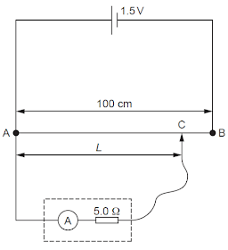
(b) A uniform wire AB of length 100 cm is connected between the terminals of a cell of e.m.f. 1.5 V and negligible internal resistance, as shown in Fig. 6.1.

An ammeter of internal resistance 5.0 Ω is connected to end A of the wire and to a contact C that can be moved along the wire.
Determine the reading on the ammeter for the contact C placed
(i) at A,
(ii) at B

(c) Using the circuit in (b), the ammeter reading I is recorded for different distances L of the contact C from end A of the wire. Some data points are shown on Fig. 6.2.

(i) Use your answers in (b) to plot data points on Fig. 6.2 corresponding to the contact C placed at end A and at end B of the wire.
(ii) Draw a line of best fit for all of the data points and hence determine the ammeter reading for contact C placed at the midpoint of the wire.
(iii) Use your answer in (ii) to calculate the potential difference between A and the contact C for the contact placed at the midpoint of AB.

(d) Explain why, although the contact C is at the midpoint of wire AB, the answer in (c)(iii) is not numerically equal to one half of the e.m.f. of the cell.

Reference: Past Exam Paper – June 2010 Paper 22 Q6



Solution 978:
(a)
Either Power, P V2              OR      P = V2/R
Percentage reduction = [(2302 – 2202) / 2302] × 100% = 8.5%

(b)
(i) Zero
{Since the ammeter has some resistance, the reading on it would correspond to the current through the ammeter, not the wire. When the contact is placed at A, the wire has zero resistance. So, all current would flow through the wire [for wire, R = 0, I = V / R = 1.5 / 0 = infinity – that is, all current flow though wire] and no current in the ammeter.}

(ii) Current = 1.5 / 5 = 0.3(0)A
{The ammeter has some internal resistance and is connected in parallel with the wire. So, the p.d. across the ammeter is the same as that across the wire (= 1.5V). Hence, the current can be directly obtained by I = V / R = 1.5 / 5}

(c)
(i)
(point (0, 0) and point (100, 0.3))
The plots must be correct to within ± 1mm

(ii) A reasonable line/curve through the points giving current as 0.12A for contact at midpoint {50cm} of wire.



(iii) V = IR = 0.12 × 5.0 = 0.6(0)V

(d)
The circuit acts as a potential divider / current divides / current in AC is not the same as current BC.
The resistance between A and C is not equal to the resistance between C and B    
OR      The current in wire AC × R is not equal to the current in wire BC × R
{The resistance of the ammeter has an effect on the total resistance for that section of the wire. These resistances are in parallel for that section of the wire.}










Question 979: [Matter > States of Matter]
The diagram shows an ice cube floating in water.

Both the ice cube and the water are at 0 °C.
Which statement correctly compares the molecular properties of the ice and those of the water?
A The mean inter-molecular potential energies are the same for both the ice molecules and the water molecules.
B The mean inter-molecular separations are the same for both the ice and the water.
C The mean kinetic energies are the same for both the ice molecules and the water molecules.
D The mean total energies are the same for both the ice molecules and the water molecules.

Reference: Past Exam Paper – November 2009 Paper 11 Q17 & Paper 12 Q16 & June 2013 Paper 12 Q19



Solution 979:
Answer: C.
Temperature depends only on the average speed of molecules.
Molecules in ice at 0°C and molecules in water at 0°C have the same average speed and therefore the same average kinetic energy.

The mean inter-molecular potential energies for the ice molecules and for the water molecules are different since the ice is a solid and water is a liquid. As a result of this difference in inter-molecular potential energy, the mean inter-molecular separations are different for ice and water. The ice molecules are closer to each other than are the water molecules. [A and B are incorrect]

For the mean total energy, we need to consider the kinetic energy of the molecules and the inter-molecular potential energy of the molecules. Since both are at the same temperature, they have the same kinetic energy. But their inter-molecular potential energies are different, so the mean total energies are also different. [D is incorrect]



14 comments:

  1. Please consider answering ALL of the following questions:
    4/O/N/02 Q.5(b),Q.6(c)(i)
    6/O/N/02 Q.11(a)(b)
    6/O/N/03 Q.9
    04/M/J/04 Q.8(a),(b)(i),(ii)1.
    06/M/J/04 Q.9(b)(iii),Q.11(b)
    06/O/N/04 Q.3(b)(i)1.,Q.4(a),Q.6(b),Q.8(a)(i)
    04/M/J/05 Q.7(a)
    06/O/N/05 Q.8(b),Q.10(a)
    04/M/J/06 Q.6(a),(c),Q.7(b)
    06/M/J/06 Q.14(b)
    04/O/N/06 Q.3(c)
    06/O/N/06 Q.3(b)
    05/M/J/07 Q.2(d)
    04/O/N/07 Q.7(b)(i),(c),Q.10(c)
    04/M/J/08 Q.5(b),Q.9(b),Q.11(a)(ii)
    04/O/N/08 Q.7(c)
    41/O/N/09 Q.6(a),(b)(i),Q.10
    41/M/J/10 Q.6(a),Q.7(a)
    51/M/J/10 Q.2(d)
    41/M/J/11 Q.8(a)

    ReplyDelete
    Replies
    1. For 41/M/J/11 Q.8(a), see solution 981 at
      http://physics-ref.blogspot.com/2015/09/physics-9702-doubts-help-page-203.html

      Delete
  2. i am a little confused about Q978. for part b)1) how does the resistance in the wire become zero when c is placed at A?

    ReplyDelete
    Replies
    1. Resistance of wire = rho x L / A

      The longer the length of wire being considered, the greater the resistance.

      The arrangement is such that the length of wire being considered is between A and C. The section between C and B does not contribute any resistance. We could say that it is 'short circuited'.

      When C is placed at A, the length of wire being considered is zero. Thus, resistance is zero.

      Delete
  3. do u have any google app or home page to get required answers

    ReplyDelete
    Replies
    1. no app yet.
      the homepage is
      http://physics-ref.blogspot.com/

      you can ask the questions on any page such as these

      Delete
  4. Dear Sir,

    Referring to solution for Q.977. Could you please further explain how is pressure related elastic potential energy? Thank you!

    ReplyDelete
    Replies
    1. Under normal conditions, we can assume that water cannot be compressed. However water may be compressed under very high pressure, as in this case. Any object being compressed has elastic potential energy.

      Delete
    2. Can explain further about “the pressure at a point in the pipe depends on the length of the column of liquid above that point” and how it is implemented in the question?

      Delete
    3. the explanation has been updated

      Delete
  5. Q16 M/J/2015/12 Correct answer is D not B.

    ReplyDelete
  6. In Q978, what happens to the 1.5V as resistance becomes zero?

    ReplyDelete
    Replies
    1. 1.5V is the emf of the cell. it is not affected by the internal resistance of the ammeter

      Delete

If it's a past exam question, do not include links to the paper. Only the reference.
Comments will only be published after moderation